
_________________________________________________________________________

Programme day 1.
__________________________________________________________________________

Compairsion Conventional propulsion-Dieselelectric propulsion.
__________________________________________________________________________

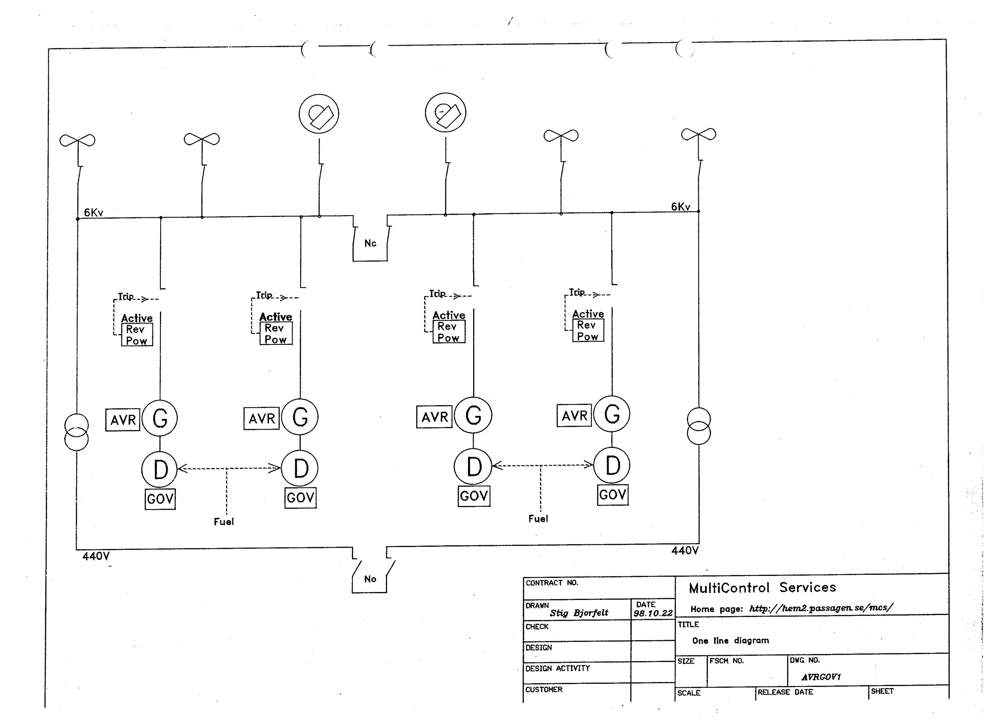
Typical power system DP2, DP3 vessels.
_________________________________________________________________________

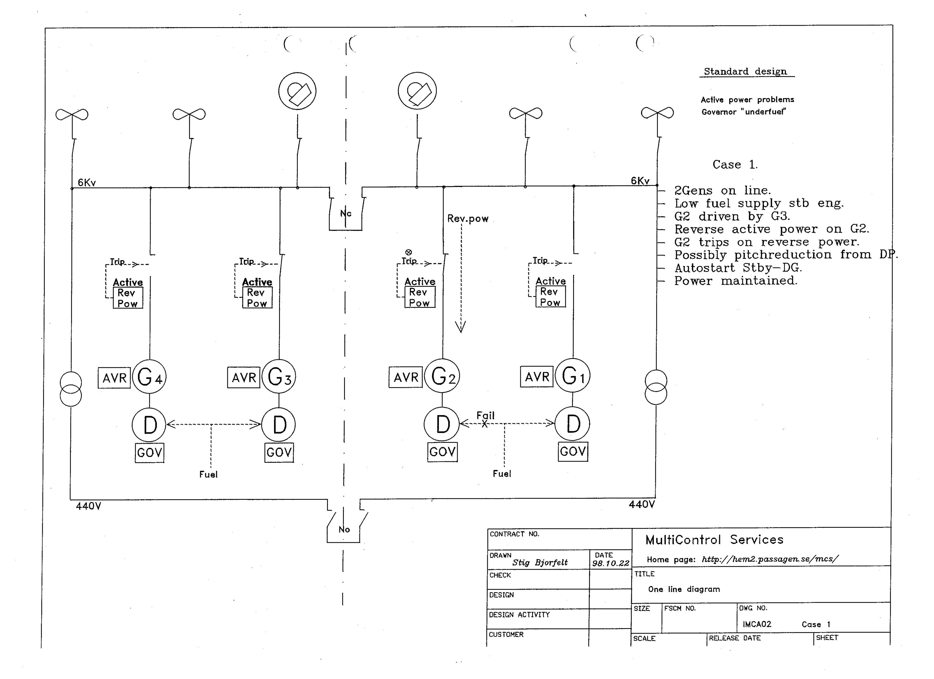
Case 1. Governor ”underfuel”
_________________________________________________________________________

_________________________________________________________________________

_________________________________________________________________________

_________________________________________________________________________

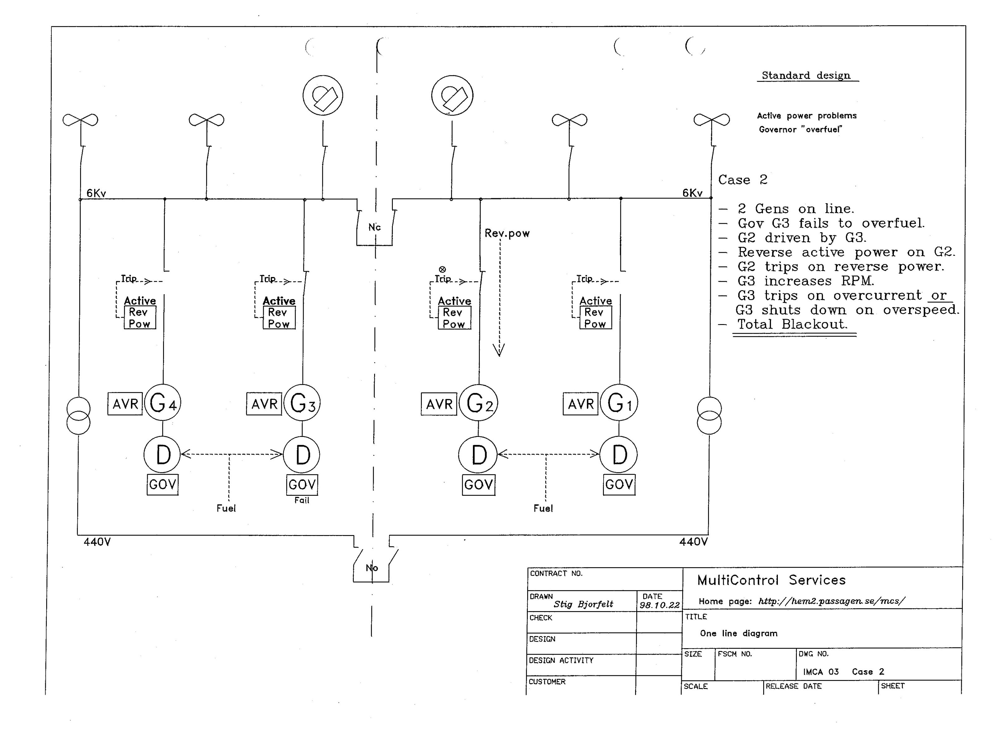
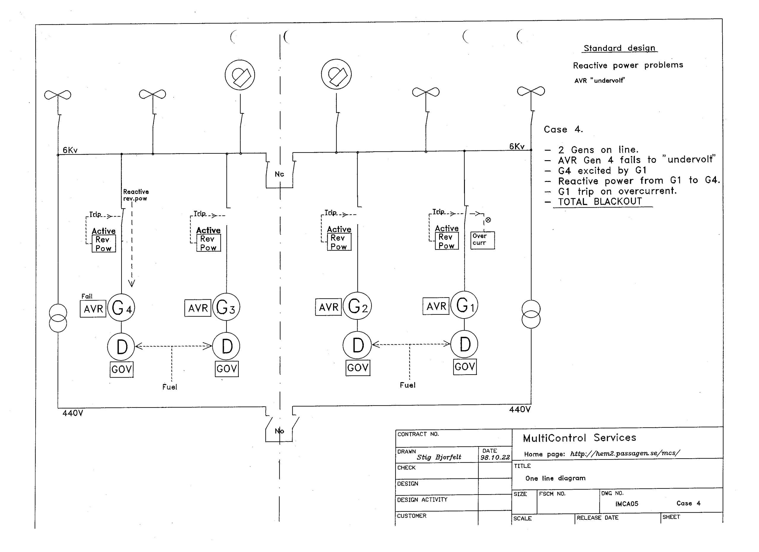
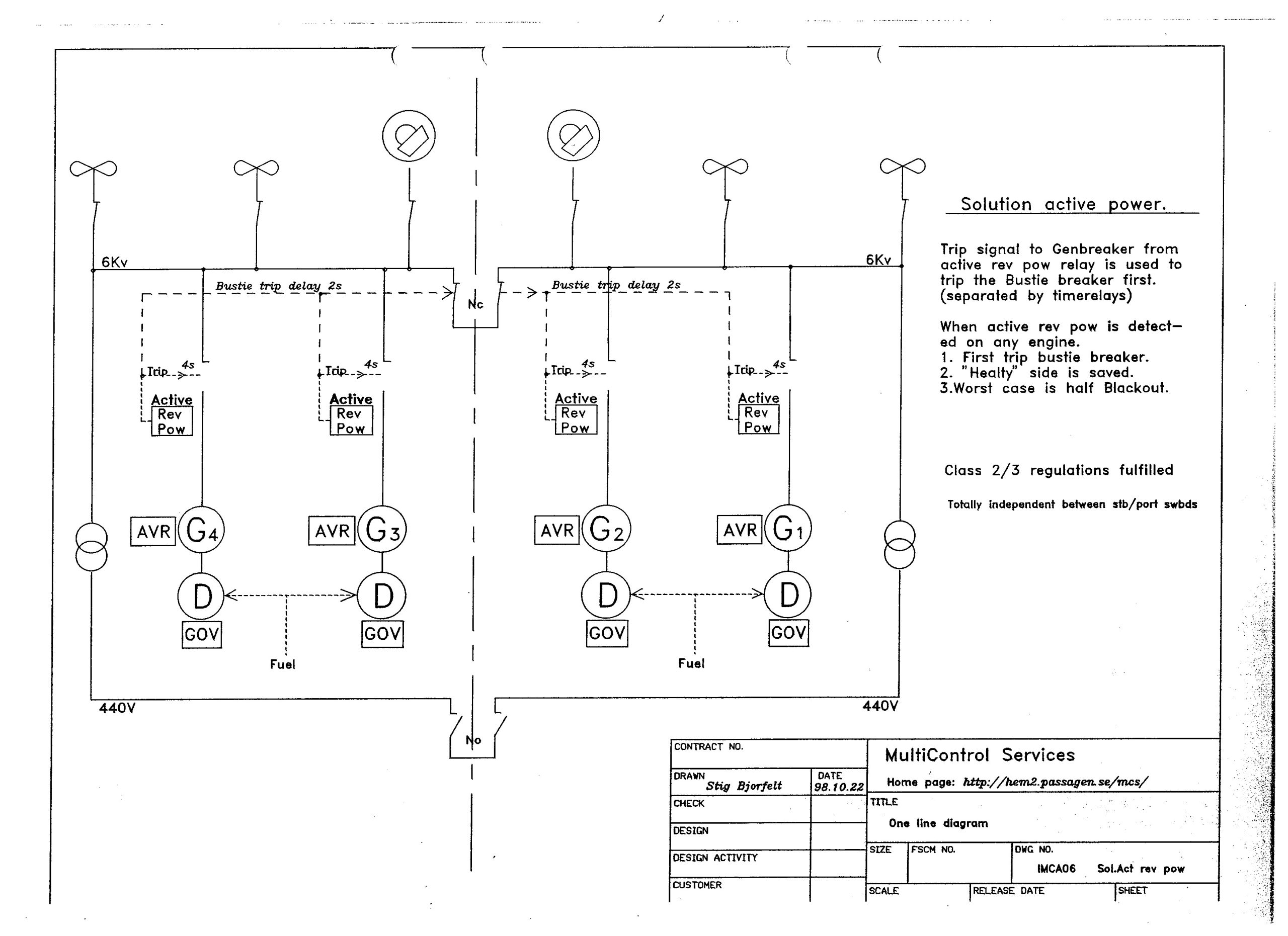
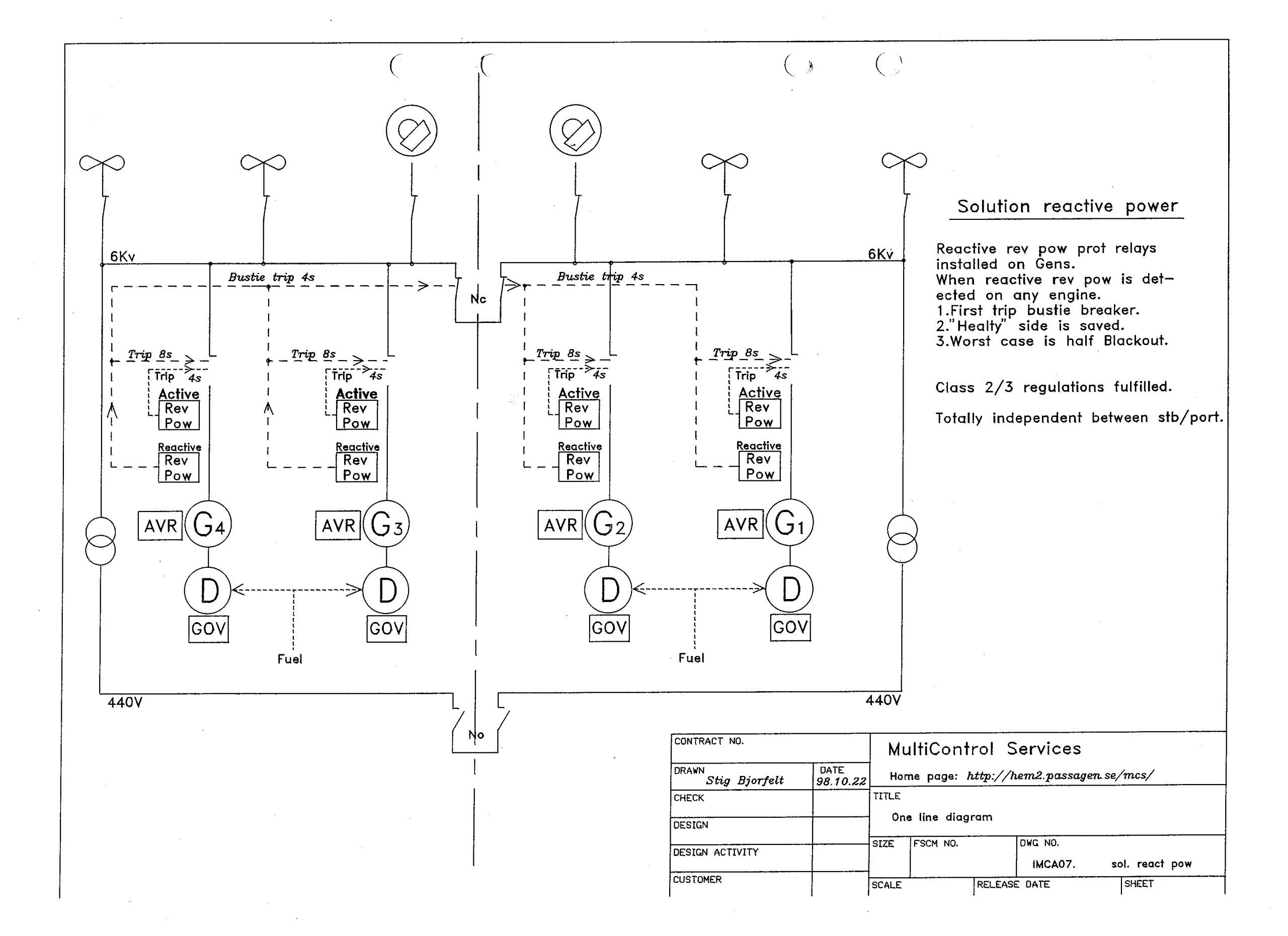
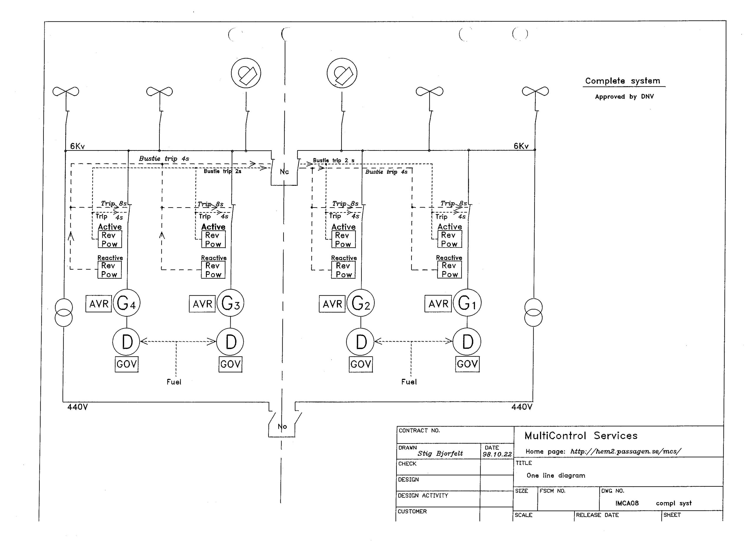
Solutions Governor problems
__________________________________________________________________________

__________________________________________________________________________

___________________________________________________________________________
